| 本体型番 | 7000PT dw Single Pedal | メーカー | dw | 
| 価格(税込) | 商品名 | ペダル | |
|  | |||
 
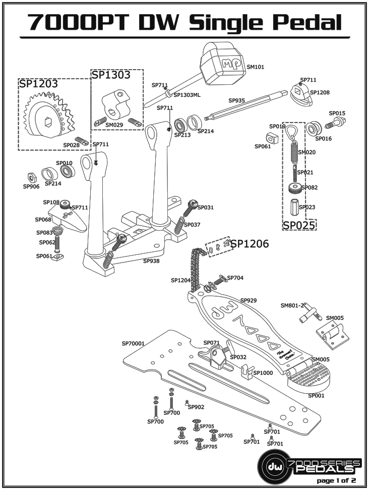
| 図中番号 | 部品番号 | 部品名 | 部品価格(税込) | 注文 | 
| SP1203 | スプロケット/ターボヨウ | ¥12980 | ||
| SP1303 | ビーターハブキャスト | ¥3960 | ||
| SM029 | ドラムKEY 3/8 4P ○ | ¥2090 | ||
| SM101 | BDビーター/2ウェイ○ | ¥4950 | ||
| SP711 | ソケットスクリュー | 問い合わせ | ||
| SP1303ML | ビーターメモリーロック | ¥990 | ||
| SP213 | 7/8 PベアリングSQ | 問い合わせ | ||
| SP214 | アウターブッシング | 問い合わせ | ||
| SP906 | HEXナット/HEXシャフトヨウ | 問い合わせ | ||
| SP010 | 3/4 OD Pベアリング | 問い合わせ | ||
| SP108 | TOEクランプナット | ¥1430 | ||
| SP068 | 代替えSP068-1 TOEクランプ ○ | ¥1980 | ||
| SP083 | スプリング | 問い合わせ | ||
| SP062 | 代替えSM062 TOEクランプスクリュー | 問い合わせ | ||
| SP061 | スクエアナット#15ヨウ | ¥660 | ||
| SP037 | スプリング#36スパー | 問い合わせ | ||
| SP019 | トライアングルフック | 問い合わせ | ||
| SP015 | ロッカーハブヨウスクリュー ○ | ¥440 | ||
| SP016 | ロッカーハブ | 問い合わせ | ||
| SM020 | スプリング.Wフェルト | ¥2090 | ||
| SP021 | スプリングスクリュー | ¥1210 | ||
| SP082 | スプリングスクリュー | 問い合わせ | ||
| SP023 | スプリングロックナット ○ | ¥990 | ||
| SP025 | STDスプリングセット(SM025) | ¥3850 | ||
| SP1206 | チェーンクリップ ○ | ¥660 | ||
| SP1204(SM1204) | DBLチェーン/ACCヨウ | ¥5500 | ||
| SP704-1 | チェーンMTスクリュー | ¥550 | ||
| SM801-2 | ドラムKEY 2PACK | ¥2750 | ||
| SM005 | ヘビーデューティーヒンジ | ¥3630 | ||
| SP001 | ヒールキャスティング(代替SP001-1) | 問い合わせ | ||
| SP071 | サイドブロックセット | 問い合わせ | ||
| SP032 | ウイングスクリュー○ | ¥1980 | ||
| SP700 | ベールキャストスクリュー | 問い合わせ | ||
| SP902 | 廃番(代用SP701-1 形状がやや大きくなります)スクリューベースプレートヨウ | ¥550 | ||
| SP701 | 代替えSP701-1 バックヒールスクリュー | ¥550 | ||
| SP705 | 代替えSM705 ヒンジスクリュー(長短各2本入り) | ¥1320 |