| 本体型番 | 9002 dw Double Pedal Primary | メーカー | dw | 
| 価格(税込) | 商品名 | ペダル(ツイン) | |
|  | |||
 
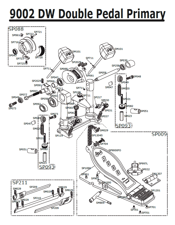
| 図中番号 | 部品番号 | 部品名 | 部品価格(税込) | 注文 | 
| SP061 | スクエアナット#15ヨウ | ¥660 | ||
| SP723 | SLIDE | 問い合わせ | ||
| SP725 | 1/4-20 X 5/16, SCREW | 問い合わせ | ||
| SM101 | BDビーター/2ウェイ○ | ¥4950 | ||
| SP711 | ソケットスクリュー | 問い合わせ | ||
| SP049 | UPロッカー ○ | ¥2420 | ||
| SP108 | TOEクランプナット | ¥1430 | ||
| SP068 | 代替えSP068-1 TOEクランプ ○ | ¥1980 | ||
| SP083 | スプリング | 問い合わせ | ||
| SP062 | 代替えSM062 TOEクランプスクリュー | 問い合わせ | ||
| SP217 | スクリュー&ナット | 問い合わせ | ||
| SP037 | スプリング#36スパー | 問い合わせ | ||
| SM020 | スプリング.Wフェルト | ¥2090 | ||
| SP021 | スプリングスクリュー | ¥1210 | ||
| SP082 | スプリングスクリュー | 問い合わせ | ||
| SP023 | スプリングロックナット ○ | ¥990 | ||
| SM029 | ドラムKEY 3/8 4P ○ | ¥2090 | ||
| SP209 | リンケージ/サイドシャフト | 問い合わせ | ||
| SP210 | リンケージ/センターシャフト | 問い合わせ | ||
| SP1204S | 9000ヨウ チューン(SM1204S) | ¥4290 | ||
| SP704-1 | チェーンMTスクリュー | ¥550 | ||
| SP902 | 廃番(代用SP701-1 形状がやや大きくなります)スクリューベースプレートヨウ | ¥550 | ||
| SP032 | ウイングスクリュー○ | ¥1980 | ||
| SM1207 | B.ベアリング ヒンジ | ¥12870 | ||
| SP1201 | ヒールキャスティング | 問い合わせ | ||
| SP701 | 代替えSP701-1 バックヒールスクリュー | ¥550 | ||
| SP2029 | 単品販売なし(代用パーツとして、こちらが1mmほど短いですが、SM028 4個入りが利用可能です) | ¥2090 | ||
| SP211 | リンケージドライブセット | ¥33000 |